Oberdorfer - 104M-06-10F36BJ Centrifugal Pump w/Motor - 25 GPM - 1/3 HP - 115/230V - 50/60 HZ - 1 Phase

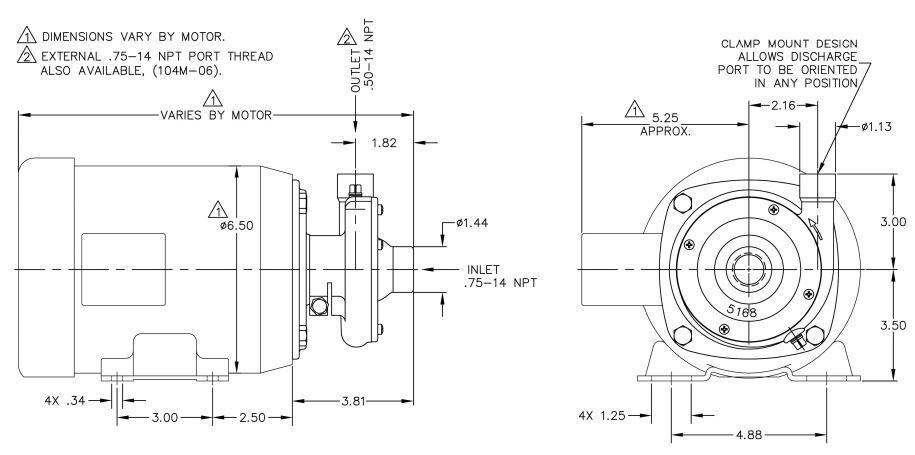
This close-coupled pump uses a standard NEMA C-Flange Jet Pump Motor with weld-on base and threaded shaft end to accept the pump impeller. Single phase motors are non-reversible and are wired for the proper pump rotation which is counter-clockwise looking at inlet end of pump. See the dimensional drawing. Three phase motors must be checked out for proper rotation when pump is installed. Interchanging of any 2 wires in a 3-phase system will reverse motor rotation.
The pump uses a mechanical type shaft seal with a Nitrile rubber element. It is limited to 212o F. Fluoroelastomer seals and polytetrafluoroethylene (PTFE) seals are available for severe solvents, difficult chemicals, and elevated temperatures.
Features
- Rugged bronze construction
- A standard in the marine air conditioning industry
- Extremely quiet operation
- O-ring housing seal eliminates gasket problems
- Polytetrafluoroethylene (PTFE) barrier seal to protect motor bearings
- Handles contaminated liquids
- Discharge port orientation flexibility - 8 positions
- Mechanical seal - carbon/ceramic, Nitrile - standard, Fluoroelastomer (S10) optional Polytetrafluoroethylene (PTFE) (S11)
- Pump heads mount to standard footed NEMA 56J jet pump motors
- Shafts: 316 Stainless Steel Motor Shaft
- Multiple motor options available
Liquids and Temperatures
The special pump alloys used provide corrosion resistance to many liquids including water, water solutions, and a wide range of commercial chemicals. Questions as to the chemical compatibility of special liquids should be referred to the factory.
Viscous liquids with a maximum viscosity of 2000 Saybolt Seconds Universal can be pumped. However, when pumping viscous liquids as compared with water, a reduction in flow and pressure occurs and the required horsepower rate increases. Liquids heavier than water require additional horsepower in direct proportion to the increase in specific gravity. Liquids contaminated with small solids or abrasives can be handled, but a reduction in mechanical seal life must be expected.
Drive
This close-coupled pump uses a standard NEMA C-Flange Jet Pump Motor with weld-on base and threaded shaft end to accept the pump impeller. Multiple motor options are available.
Suction Lift
These centrifugal pumps are not self-priming. They must be installed below the liquid level so that the liquid flows to the pump by gravity (flooded suction). However, if a foot valve is used at the beginning of the suction line, and all air is bled from the pump by manual priming, the pump will lift on the suction side up to 15 feet.
Such a system relies entirely on the non-leaking foot valve for starting capability. The flow of a centrifugal pump can be conveniently controlled by a throttling valve in the discharge line without the need for a relief valve. In centrifugal pumps, the horsepower demand will decrease as the pressure increases. Maximum horsepower occurs with a wide open discharge.
Performance

Dimensions

