MARCH PUMPS LC-5M-MD Mag-Drive Centrifugal Pump 115V
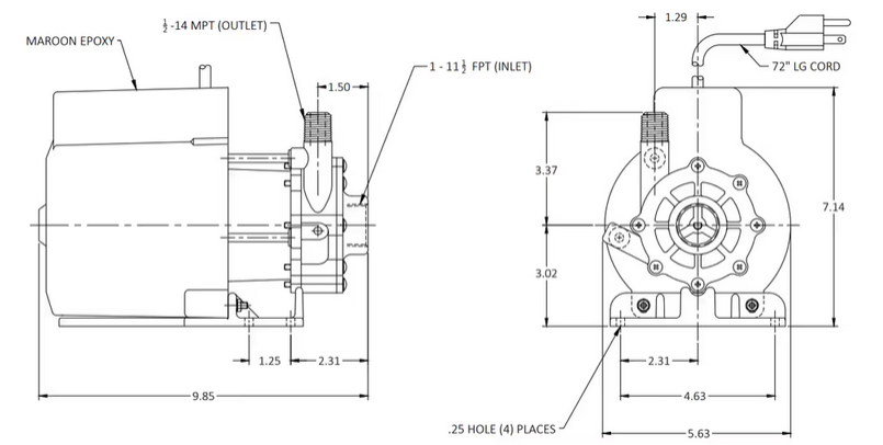
March Pump's industrial LC-5M-MD is an American submersible seal-less centrifugal magnetic drive pump. It is capable of generating a maximum flow of 15 gallons per minute at 2 feet, and its maximum head is 27 Feet (or around 11PSI). The LC-5M-MD pump may be used submerged or not submerged. The standard wet end (the materials that come into contact with the solution) is composed of Polypropylene, Buna N, Stainless Steel, Ceramic, and Ceramic Magnet. When submerged, Epoxy, Noryl, and the Cord are also in contact with the solution. The inlet connection is 1 inch female pipe thread, and the outlet is 1/2 inch male pipe thread. The standard motor is a 1 Phase 115V or 230V 0.125 Horsepower motor, which can be run on either 50 or 60 hertz (there are performance differences between the hertz options). Direct replacement for Dometic PML1000 115V Part Number: 225500276
Operation
Pumps are not self-priming, lack a suction lift, and thus require a flooded suction. Pumps cannot be run dry because the impeller requires the liquid being pumped for lubrication. For liquids with a specific gravity greater than water, have a higher viscosity, or for elevated temperatures, a trimmed impeller may be necessary. For application assistance, contact March Pump.
Electrical
Motor is available in 115 Volt 50/60 Hz, 1 phase. 115 Volt motors have a 6 ft. (1.8 m) cord with plug. The motors are U.L. listed and rated as continuous duty.
Limited Warranty
March pumps are guaranteed only against defects in workmanship or materials for a period of one year from date of manufacture pumping water. For the complete warranty and to register online go to www.marchpump.com/warranty-registration.
Specifications
Inlet - Outlet: 1” FPT - 1/2” MPT
Max Internal Pressure: 25 psi (1.7 bar)
Max Liquid Temperature: 130 °F (54 °C)
Dimensions (inches): 7.14 x 5.63 x 9.85
Packed Weight (lbs): 17.70
Dimensions

