March Pumps TE-7P-MD - 53 GPH - 115V-230v - 1Ph
March Pump’s industrial TE-7P-MD is an American seal-less centrifugal magnetic drive pump ideal for applications such as chemical recirculation, chemical transfer, and scrubber systems. It is capable of generating a maximum flow of 53 gallons per minute at 10 feet, and its maximum head is 60 Feet (26PSI). The standard wet end (the materials that come into contact with the solution) is composed of Polypropylene, Viton, Ryton/Teflon/Carbon, and Ceramic. The inlet connection is 1-1/2 inch female pipe thread, and the outlet is 1 inch male pipe thread. There are two standard motors. The first is a 1 Phase 60 hertz 115/208/230V and 50 hertz 115/230V 0.75 horsepower totally enclosed fan cooled motor. The second is a 3 Phase 60 hertz 208/230/460V and 50 hertz 190/380V 0.75 horsepower totally enclosed fan cooled motor. There are performance differences between the hertz options. The maximum internal pressure the pump can tolerate is 50PSI, and the maximum liquid temperature is 190 Fahrenheit or 87 Celsius. The March TE-7P-MD centrifugal magnetic drive pump is capable of handling mildly or highly corrosive chemicals, acids, and solvents. To determine if the March TE-7P-MD is suitable for your application, please contact March Pump.
Operation
Pumps are not self-priming, lack a suction lift, and thus require a flooded suction. Pumps cannot be run dry because the impeller requires the liquid being pumped for lubrication. For liquids with a specific gravity greater than water, have a higher viscosity, or for elevated temperatures, a trimmed impeller may be necessary. For application assistance, contact March Pump.
Electrical/Air
Unit 60Hz
| System | US | Metric |
| Max Flow | 53GPM | 200LPM |
| Max Head | 60Ft | 18.3M |
| Power | 0.75HP | 0.559Kw |
Unit 50Hz
| System | US | Metric |
| Max Flow | 47.5GPM | 180LPM |
| Max Head | 40.3Ft | 12.3M |
| Power | 0.68HP | 0.559Kw |
1Ph 115/208/230V 60Hz &115/230V 50Hz.
Specifications
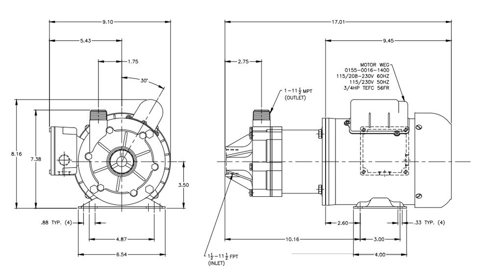
Inlet - Outlet: 1/1/2"FPT - 1"MPT
Max Internal Pressure: 50 PSI / 3.4 bar
Max Liquid Temperature: 190 °F (87 °C)

Dimensions

