March TE-5.5C-MD W/AC MTR Mag-Drive Centrifugal Pump
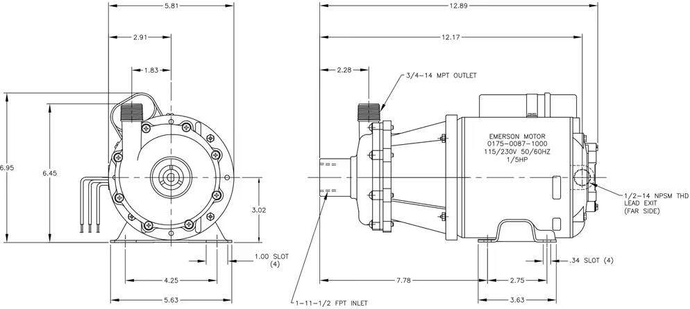
March Pump's industrial TE-5.5C-MD-AC is an American seal-less centrifugal magnetic drive pump ideal for applications such as chemical recirculation, chemical transfer, and scrubber systems. It is capable of generating a maximum flow of 30 gallons per minute at 11 feet, and its maximum head is 41 Feet (or around 18PSI). The standard wet end (the materials that come into contact with the solution) is composed of Polypropylene, Viton, Ryton/Teflon/Carbon, and Ceramic. The inlet connection is 1 inch female pipe thread, and the outlet is 3/4 inch male pipe thread. The standard motor is a 1 Phase 115/230V 0.2 Horsepower fan cooled motor, which can be run on either 50 or 60 hertz (there are performance differences between the hertz options). The maximum internal pressure the pump can tolerate is 50PSI, and the maximum liquid temperature is 190 Fahrenheit or 87 Celsius.
OPERATION
Pumps are not self-priming, lack a suction lift, and thus require a flooded suction. Pumps cannot be run dry because the impeller requires the liquid being pumped for lubrication. The direction of motor rotation should be clockwise when facing the inlet of the pump. For liquids with a specific gravity greater than water, have a higher viscosity, or for elevated temperatures, a trimmed impeller may be necessary. For application assistance, contact March Pump.
ELECTRICAL
Pumps are 115/230V, 1 phase, air-cooled. Motors are Air Cooled and are U.L. listed as well as rated for continuous operation. Motors have a junction box for electrical connections. Explosion proof and special voltage motors are available upon special order.
LIMITED WARRANTY
March pumps are guaranteed only against defects in workmanship or materials for a period of one year from date of manufacture pumping water. For the complete warranty and to register online go to www.marchpump.com/warranty-registration.
SPECIFICATIONS
Inlet - Outlet 1” FPT - 3/4” MPT 1”
Max Internal Pressure 50 psi (344 kPa)
Max Liquid Temperature 190 °F (87 °C)
Dimensions (inches): 6.95 x 5.81 x 12.89
Packed Weight (lbs): 17.50
DIMENSIONS

