Skip to main content

MARCH PUMPS TE-5C-MD Mag Drive Pump - 1 Ph - 18 GPM - 115/230 V - Weg Motor

March Pumps

$713.99
(No reviews yet) Write a Review
Condition:
New
Availability:
In Stock - Ship within 1 - 2 Business Days
Adding to cart… The item has been added

MARCH PUMPS TE-5C-MD Mag-Drive Centrifugal Pump 115/230V


March Pump's industrial TE-5C-MD is an American seal-less centrifugal magnetic drive pump ideal for applications such as chemical recirculation, chemical transfer, and scrubber systems. It is capable of generating a maximum flow of 17 gallons per minute at 4 feet, and its maximum head is 29 Feet (or around 12PSI). The standard wet end (the materials that come into contact with the solution) is composed of Polypropylene, Viton, and Ceramic. The inlet connection is 1 inch female pipe thread, and the outlet is 1/2 inch male pipe thread. There are two standard motors. The first is a 1 Phase 60 hertz 115/230V and 50 hertz 110/220V 0.2 horsepower totally enclosed fan cooled motor.  The second is a 3 Phase 60/50HZ 230/460V IEC totally enclosed 0.17 horsepower fan cooled motor.  There are performance differences between the hertz options.  The maximum internal pressure the pump can tolerate is 50PSI, and the maximum liquid temperature is 190 Fahrenheit or 87 Celsius. The March TE-5C-MD centrifugal magnetic drive pump is capable of handling mildly or highly corrosive chemicals, acids, and solvents. 

OPERATION

Pumps are not self-priming, lack a suction lift, and thus require a flooded suction. Pumps cannot be run dry because the impeller requires the liquid being pumped for lubrication. For liquids with a specific gravity greater than water, have a higher viscosity, or for elevated temperatures, a trimmed impeller may be necessary. For application assistance, contact March Pump.

LIMITED WARRANTY

March pumps are guaranteed only against defects in workmanship or materials for a period of one year from date of manufacture pumping water. For the complete warranty and to register online go to www.marchpump.com/warranty-registration.

SPECIFICATIONS

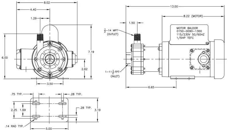
Product #: 0150-0026-0300
Inlet - Outlet: 1” FPT - 1/2” MPT

Voltage: 115/230 V 
Current: 2.10/1.05 A
HP: 0.2
Rpm: 3450
Phase: 1
Hertz: 60 Hz
Max. Flow: 18 gpm / 68.1 lpm
Max. Head: 29 ft / 12.6 psi / 8.85 m 
Max Internal Pressure: 50 psi (344 kPa)

Max Liquid Temperature: 190 °F (87 °C)
Dimensions (inches): 6.19 x 4.52 x 9.27
Packed Weight (lbs): 8.55

DIMENSIONS

Limited Warranty