MARCH PUMPS TE-5S-MD Mag-Drive Centrifugal Pump 115/230V
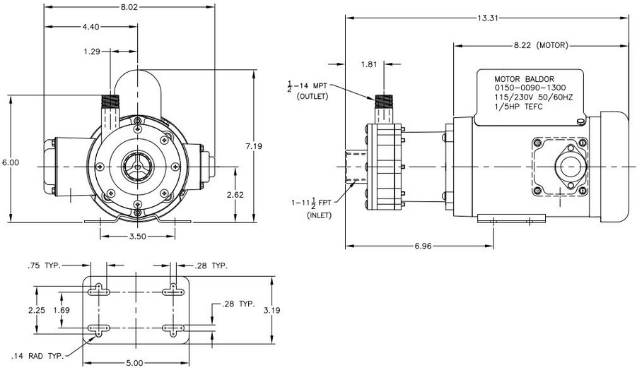
March Pump's industrial TE-5S-MD is an American seal-less centrifugal magnetic drive pump ideal for applications such as chemical recirculation, chemical transfer, and scrubber systems. It is capable of generating a maximum flow of 18 gallons per minute at 7 feet, and its maximum head is 29 Feet (or around 12PSI). The standard wet end (the materials that come into contact with the solution) is composed of 316 Stainless Steel, Viton, and Ceramic. The inlet connection is 1 inch female pipe thread, and the outlet is 1/2 inch male pipe thread. There are two standard motors. The first is a 1 Phase 60 hertz 115/230V and 50 hertz 110/220V 0.2 horsepower totally enclosed fan cooled motor. The second is a 3 Phase 60/50HZ 230/460V IEC totally enclosed 0.17 horsepower fan cooled motor.
OPERATION
Pumps are not self-priming, lack a suction lift, and thus require a flooded suction. Pumps cannot be run dry because the impeller requires the liquid being pumped for lubrication. For liquids with a specific gravity greater than water, have a higher viscosity, or for elevated temperatures, a trimmed impeller may be necessary. For application assistance, contact March Pump.
LIMITED WARRANTY
March pumps are guaranteed only against defects in workmanship or materials for a period of one year from date of manufacture pumping water. For the complete warranty and to register online go to www.marchpump.com/warranty-registration.
SPECIFICATIONS
| Product | 0150-0120-0100 | |
| Units | 60 Hz | 50 Hz |
| Voltage | 115/230 V | 110/220 V |
| Current | 2.10/1.05 A | 2.2/1.1 A |
| Motor | 0.2 Hp | 0.2 Hp |
| Rpm | 3450 | 2850 |
| Max Flow | 18 gpm/68.1 lpm | 15.98 gpm/60.5 lpm |
| Inlet-Outlet | 1" FPT - 1/2" MPT | |
| Max Internal Pressure | 200 psi / 1378 kPa | |
| Max Liquid Temperature | 250 °F (121 °C) | |
| Packed Weight | 25.75 lbs / 11.68 kg | |
| Material in Contact w/Solution | 316 Stainless Steel, Viton, Ceramic, Carbon | |

DIMENSIONS


